1 Rookie
•
83 Posts
0
42
August 27th, 2025 18:27
Trying to hunt down a motherboard block diagram for R540
As the title states, I'm looking for a block diagram of the R540 motherboard.
No Events found!
1 Rookie
•
83 Posts
0
42
August 27th, 2025 18:27
As the title states, I'm looking for a block diagram of the R540 motherboard.
Top
DELL-Charles R
Moderator
•
4.6K Posts
0
August 29th, 2025 17:32
Hello,
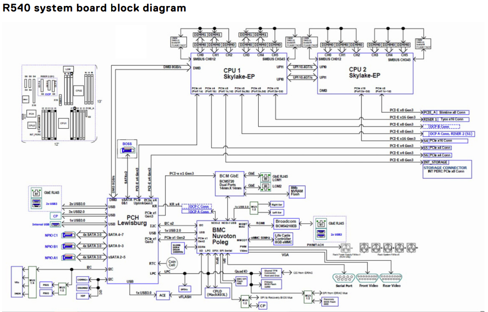
YoungAh is correct. There is no block diagram publicly available. The block diagram Joey provided is from the Field Service Manual (FSM) that is for Field Service Technicians.
You would go to this page, https://www.dell.com/support/home/en-us, Login, search your service tag and on the Documents page you can find the FSM.
Since Joey provided you one will post the R540:

DELL-Young E
Moderator
•
5.2K Posts
0
August 28th, 2025 01:10
Hello, I'm afraid it's internal data you're looking for that isn't allowed to be published to all. Sorry we can't be of help this time.
Respectfully,
The_LostIT_Guy
1 Rookie
•
83 Posts
0
August 29th, 2025 17:12
How in the world am I supposed to know which CPU certain things use then (NUMA layout)? For example, the PCIe slots. Unless I missed something, I haven't been able to find that information in the docs.
By the way ... I've been provided with a block diagram in the past. See here.
Sorry for snitching on you @DELL-Joey C .
The_LostIT_Guy
1 Rookie
•
83 Posts
0
August 29th, 2025 19:39
@DELL-Charles R Awesome! Thanks for field service manual tip!